产品概述
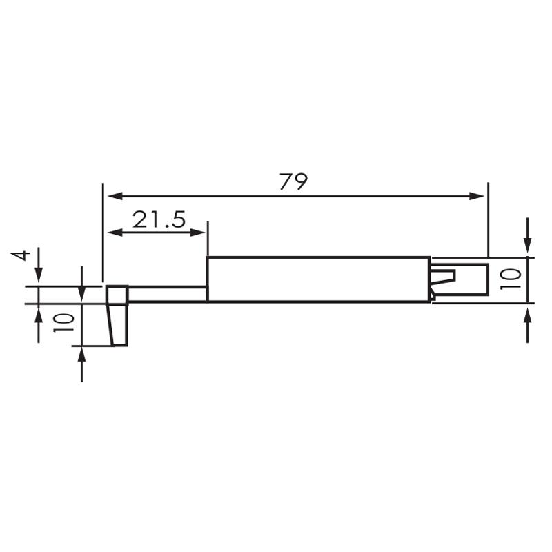
中科普锐SR131深槽传感器是一款专业用于测量沟槽和台阶表面粗糙度的精密仪器。该传感器可测量槽宽大于3mm、槽深小于10mm的沟槽,或高度小于10mm的台阶的表面粗糙度,同时也可测量平面和柱面。
产品特色
1. 可测量槽宽大于3mm、槽深小于10mm的沟槽表面粗糙度
2. 可测量高度小于10mm的台阶表面粗糙度
3. 具备平面和柱面测量能力
4. 需配合IPREB TA620测量平台使用
工作原理
传感器通过接触式测量方式,对工件表面进行扫描检测,获取表面粗糙度参数数据。深槽传感器专门针对沟槽和台阶结构设计,能够深入狭窄空间进行精确测量。
应用领域
机械制造、精密加工、质量检测、沟槽表面测量、台阶表面测量
操作步骤
1. 将IPRE RS131深槽传感器安装到IPREB TA620测量平台上
2. 根据测量需求选择合适的测量位置
3. 将传感器探头对准待测沟槽或台阶表面
4. 启动测量程序进行数据采集
5. 读取并记录测量结果
注意事项
• 测量槽宽必须大于3mm
• 测量槽深必须小于10mm
• 测量台阶高度必须小于10mm
• 必须配合IPREB TA620测量平台使用
• 确保测量表面清洁无污染
• 操作时避免传感器探头受损